• 草莓网站在线观看,草莓视频成人版污,草莓视频十八禁,黄草莓视频在线观看

    欢迎来到惠州市草莓网站在线观看五金制品有限公司官方网站!

    微博 微信 常见问题| 客户反馈| 网站地图

    惠州市草莓网站在线观看五金制品有限公司

    全国服务热线:137 2371 3423 / 138 2886 6587
    草莓视频成人版污
    当前位置:首页 >> 产品中心 >> 草莓视频成人版污

    产品中心

    全国服务热线137 2371 3423 / 138 2886 6587

    生产设备采用国内CNC加工中心,钻攻机,精雕机,激光机,满足市场多样化的产品需求! 在线咨询
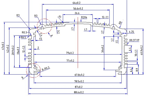
    草莓视频成人版污加工BY-056 规格:88X47
    • 草莓视频成人版污加工BY-056 规格:88X47
    • 2A4A8209.jpg
    • 2A4A8210.jpg

    草莓视频成人版污加工BY-056 规格:88X47

    简介:草莓视频成人版污是一种以铝合金为原料制成的各种壳体,目前市场上对于草莓视频成人版污的需求量是相当大的,因为草莓视频成人版污的用途多,使用范围广,在很多场所中都需要使用到,如电子行业、机械制造行业、手机行业等。草莓视频成人版污,具有灵活性高,深度能够恣意切开,通常内部都有电路板卡槽,只要把电路板直接插入即可,无须再行固定,快捷性是其他品种的外壳无法比拟的。

    7*24小时全国服务热线 137 2371 3423 / 138 2886 6587

    立即订购
    • 产品介绍


      草莓视频成人版污是一种以铝合金为原料制成的各种壳体,目前市场上对于草莓视频成人版污的需求量是相当大的,因为草莓视频成人版污的用途多,使用范围广,在很多场所中都需要使用到,如电子行业、机械制造行业、手机行业等。草莓视频成人版污,具有灵活性高,深度能够恣意切开,通常内部都有电路板卡槽,只要把电路板直接插入即可,无须再行固定,快捷性是其他品种的外壳无法比拟的。


      使用草莓视频成人版污的好处:


      1、草莓视频成人版污相对于别的金属材质密度小并且质量轻。


      2、草莓视频成人版污化学性能稳定,无磁性,可以重复回收利用,是一种良性可循环的金属材料。


      3、采用了热、冷两种工艺处理,有很强的耐腐蚀性能。


      4、草莓视频成人版污有良好的铸造性能,且表面处理性能良好。


      6、弹性系数小,碰撞摩擦不起火花,在汽车工艺中表现很好。


      7、全球铝的含量非常高,储量丰富。


      8、草莓视频成人版污并没有金属污染,没有毒性,表面氧化层没有挥发性金属。


      9、草莓视频成人版污有很好的延展性能,可以与很多金属元素制作轻型合金,材质优质。


      10、草莓视频成人版污可塑性强,生产性好,对于生产制作有很好的优势。

    相关产品

    网站地图